SPULCHNIARKI TAŚMOWE Z ODDZIELACZEM MAGNETYCZNYM STO-6

PRZEZNACZENIE
Spulchniarki taśmowe przewoźne z oddzielaczem magnetycznym typ STO-6 przeznaczone są dla odlewni, stosujących przerób masy formierskiej wypełniającej na stanowiskach formierskich. Proces przerobu polega na przesiewaniu, oddzielaniu części ferromagnetycznych, rozdrabnianiu, chłodzeniu i napowietrzaniu masy.
ZASADA DZIAŁANIA
Z masy formierskiej, podawanej łopatami na sito wibracyjne spulchniarki, zostają oddzielone grudy i większe kawałki metalu i odprowadzane poza maszynę. W spulchniarce STO-6 przesiana masa opada na bęben oddzielacza magnetycznego, który przyciąga z niej części ferromagnetyczne i odrzuca je, a oczyszczona z nich masa przesypuje się na taśmę grzebieniową i następnie poprzez rozdrabniacz wylatuje strumieniem przed maszynę. Silne rozpraszanie wyrzucanego strumienia masy powoduje jej napowietrzenie i intensywne chłodzenie.
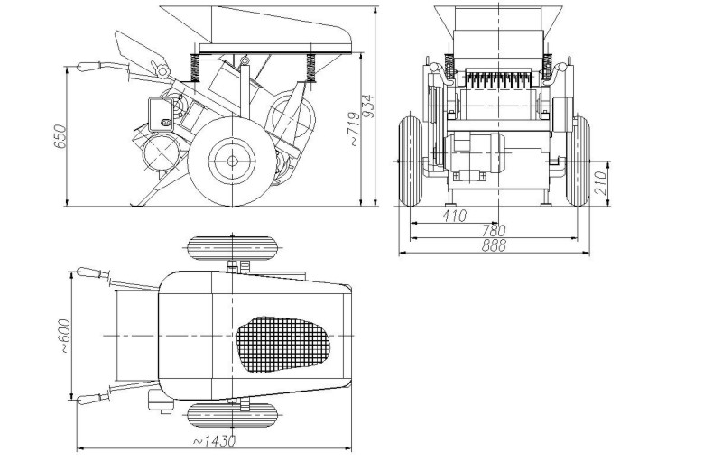
CHARAKTERYSTYKA TECHNICZNA
| Parametry | Jedn. miary | STO-6 | |
| Wydajność spulchniarki | m3/h | 6 | |
| Szerokość taśmy | mm | 300 | |
| Prędkość taśmy | m/s | 7 | |
| Wymiary oczek sita | mm | 20x20 | |
| Moc zainstalowana | kW | 1,5 | |
| Napięcie zasilania, częstotliwość | V, Hz | 3x400/230;50 | |
| Masa całkowita | kg | 240 |