KRATY WSTRZĄSOWE SAMOROZŁADOWCZE KWS

PRZEZNACZENIE
Krata wstrząsowa samorozładowcza KWS przeznaczona jest do wybijania odlewów z form odlewniczych i ich wstępnego oczyszczania podczas transportu odlewów i brył masy po ruszcie kraty. Krata samorozładowcza znajduje zastosowanie w zmechanizowanych i zautomatyzowanych liniach formowania.
ZASADA DZIAŁANIA
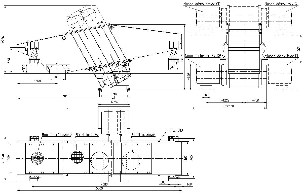
Wybijanie odlewów, wstepne ich oczyszczanie oraz rozdrabnianie masy formierskiej odbywa się na skutek zderzeń drgającego rusztu kraty z masą formy i odlewem. Ruch drgający wywolany jest zsynchronizowanymi siłami bezwładności wirujących, niewyważonych mas zespołu wibratorów, związanych z korpusem kraty, wspartym na sprężystych podporach. Wskutek ukierunkowanej siły wymuszającej następuje przemieszczanie się odlewów po ruszcie do zsypu oraz przepadanie przez ruszt masy do zsypu w dnie kraty. Oczyszczone zgrubnie odlewy i wybita masa odbierane są z kraty przez współpracujące urządzenia transportowe.
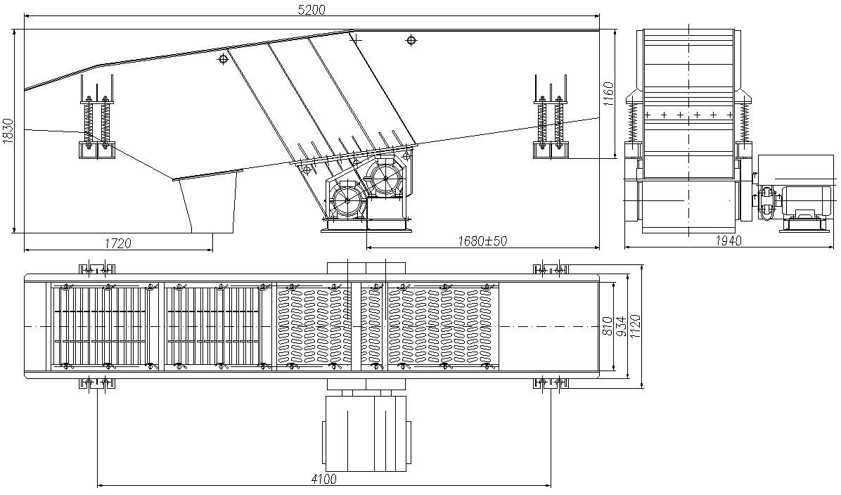
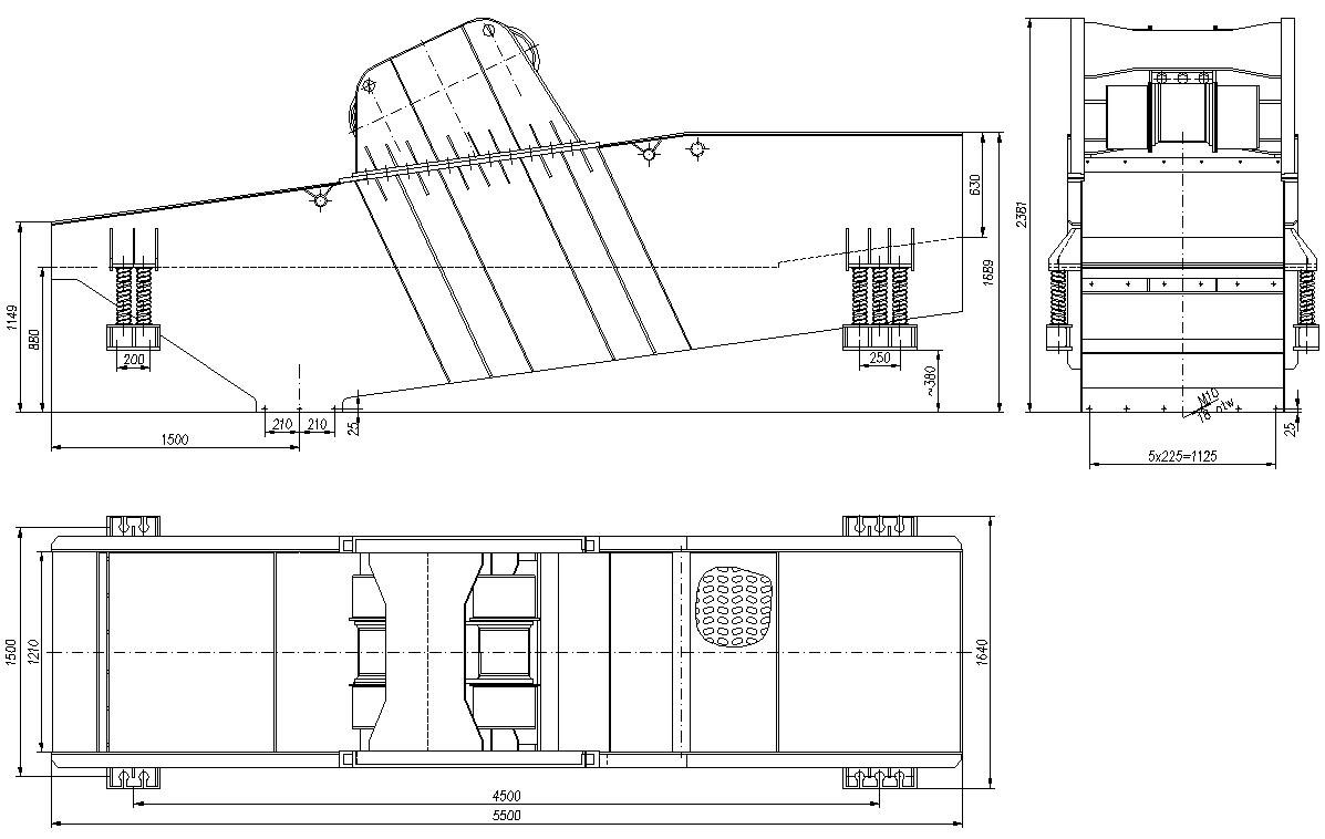
CHARAKTERYSTYKA TECHNICZNA
| Parametr | Jedn. miary | KWS-2 0836 | KWS-2 5208 | KWS-2,5 1050 | KWS-2,5 1255 |
| Nośność | kg | 2000 | 2000 | 2500 | 2500 |
| Amplituda drgań | mm | ok. 3 | 3,5 | 3,0-3,5 | 3,5 |
| Częstotliwość drgań | Hz | 16 | 16 | 16 | 16 |
| Wymiary nominalne rusztu | mm | 3600x800 | 5000x800 | 5000x1000 | 5100x1200 |
| Całkowita moc zainstalowana | kW | 2 x 5,5=11,0 | 2 x 7,5=15,0 | 2 x 11,0=22,0 | 2x7,6=15,2 |
| Masa kraty | kg | 2600 | 3680 | 4968 | 5259 |
W kratach wibracyjnych samopodających aktualnie produkowanych w KPP FAMO zastosowano nowej konstrukcji mechanizm wibracyjny złożony z dwóch wałów mimośrodowych z przeciwciężarami. Pozwolił on na wyeliminowanie elementów często ulegających awariom. Wymianie podlegają jedynie łożyska, których wymiana jest bardzo prosta dzięki zastosowaniu wymiennych koszy łożyskowych.
Została zmniejszona częstotliwość drgań do 16 Hz. Zmniejszenie częstotliwości wydłużyło żywotność łożysk, oraz pozwoliło zwiększyć amplitudę drgań. Zwiększenie amplitudy znacznie poprawiło skuteczność wybijania i pozwoliło zmniejszyć całkowity czas procesu.
Kraty wyposażone są w układ elektrycznego hamowania silnikiem co pozwala szybko przejść przez drgania rezonansowe. Układ eliminuje bardzo niebezpieczne drgania o dużej amplitudzie.
Wprowadzono możliwość regulacji siły wymuszającej drgania. Każdy użytkownik może w określonym zakresie ustalić wielkość siły wymuszającej drgania, a co za tym idzie zmienić amplitudę drgań tak, aby proces wybijania przebiegał optymalnie dla jego potrzeb.
Nowe mocowanie sprężyn tzw. bezwkrętkowe wyeliminowało sztywne osadzenie sprężyn na wkrętkach, dzięki czemu uproszczono ich wymianę, oraz zlikwidowano przyczynę pęknięć. Takie rozwiązanie pozwoliło na uzyskanie łagodniejszego rozruchu i hamowania kraty.
Kraty wstrząsowe samorozładowcze KWS pracuja między innymi w:
- KWS-2 Ferrex Poznań
- KWS-2,5/1255 Venture Industries Grudziądz
- KWS-2,5/1050 Metalpol Węgierska Górka
- KWS-2,5/1240 Odlewnia Żeliwa Bydgoszcz
- KWS-6/1740 oraz KWS-4/1740 WSK Rzeszów


